X25 EVO Controller
X25 EVO is a brand-new high-performance industrial-grade controller from CUAV. Compared with traditional controllers, X25 EVO has achieved breakthrough upgrades and optimization in aspects such as power rails, sensors, shock absorption systems, temperature compensation systems, hardware reliability and device compatibility, significantly improving its performance and stability in complex environments and meeting the application needs of various unmanned system. The X25 EVO incorporates numerous optimizations and innovations for professional, large-scale industrial unmanned systems and is fully compatible with ArduPilot/PX4 firmware.It can be widely used in unmanned systems, including multi-rotor, elevator, fixed-wing, VTOL fixed-wing, unmanned vehicles, unmanned vessels, and unmanned underwater vehicles.

Feature
- Disruptive 10V~18V Wide-Range Power Supply Architecture, Delivering Higher Current to Accessories.
- New industrial IMU sensor matrix (three sets of IMU, barometer + industrial-grade electronic compass).
- Select TDK industrial-grade sensors with high precision, high shock resistance, large range, low noise and slight temperature drift.
- IIM series sensors are equipped with a high-precision constant temperature active external clock to reduce ODR errors.
- Dual Temperature Compensation System | Redefining the standard for sensor performance accuracy.
- Powerful performance | High-performance H7 processor.
- The fourth generation tilted symmetrical damping matrix shock absorption system + external fixed ear shock absorption.
- CAN bus + 100M Ethernet | Supports ESC/motor data transmission.
- Standard PMU 2 Lite high-voltage and high-current (70V, 220A) power detector.
- Supports 3.3V/5V PWM level switching.
- Status visualization | Multi-function RGB full-color indicator light.
- Multi-model application | Compatible with ArduPilot and PX4 firmware.
Hardware parameters
| ITEM | Specification |
|---|---|
| Processor | STM32H7 Arm® Cortex®-M7,480MHz |
| Version | X25 EVO |
| Acce&Gyro | IIM-42653 / IIM42652 / IIM42653 |
| Compass | RM3100 |
| Barometer | TDK IPC20100 / Bosch BMP581 |
| PWM OUT | 16 |
| Power IN (CAN) | 2(model:5055670871-5055650801) |
| GPS Ports | 2 |
| TELEM Ports | 2 |
| UART4 Ports | 1 |
| RCIN | 1(PPM/SBUS/DSM and other protocols) |
| DEBUG(DSU) | 1 |
| Ethernet (ETH) | 1 |
| CAN Bus | CAN1×3 CAN2×2 |
| SPI6 Expansion | 1 |
| ADC 3V3 | 1 |
| ADC 6V6 | 1 |
| USB Ports | 1(Type-C) |
| I2C Ports | 3 |
| RSSI Ports | 1 |
| Power Module | PMU 2 Lite |
| Input Voltage | USB:4.75V ~ 5.25V PMU 2 Lite:20V ~ 70V Power:10V ~ 18V |
| Operating Temperature | -20 ℃ ~ +85°C |
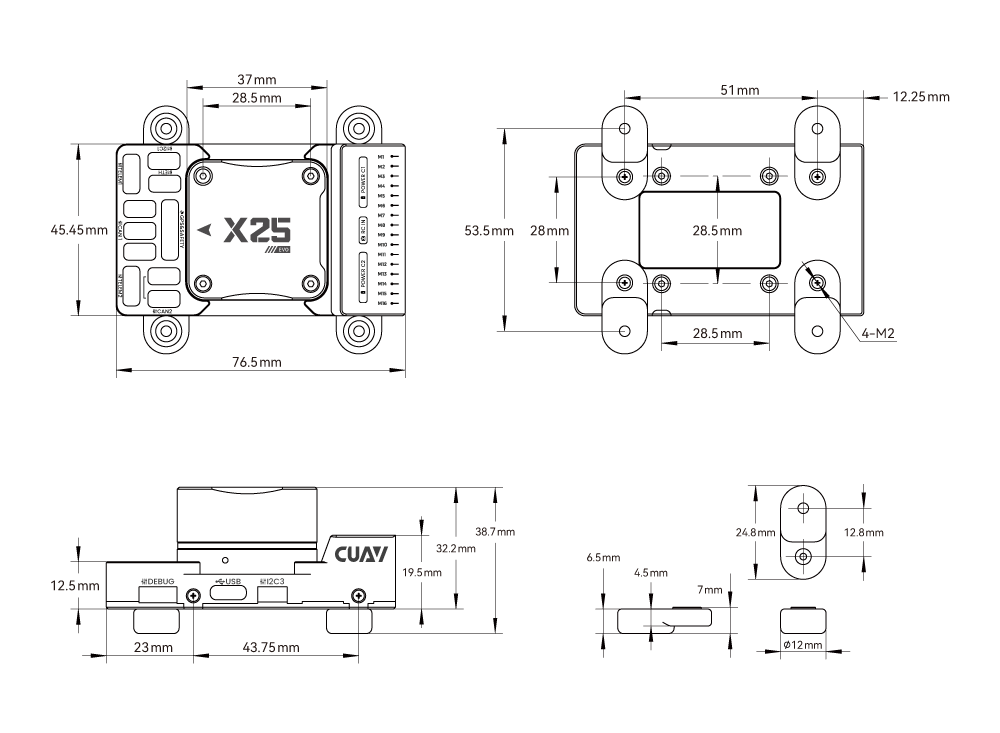
| Size | 76.5 × 45.45 × 32.2 mm |
| Weight | 110g |
Size

Purchase
Pinouts

PX4 Firmware compilation command
make cuav_x25-evo_default upload
ArduPilot Firmware compilation command
./waf configure --board CUAV-X25-EVO
./waf copter --upload
Optional hardware
- Digital Airspeed Sensor
- Telemetry Radio Modules
- Rangefinders/Distance sensors
- For more information on usage and optional hardware, please visit Multirotor Optional Hardware/Fixed-Wing Optional Hardware