7-Nano V2控制器
7-Nano V2是一款针对小型化无人系统设备研发的微型智能控制器。它由雷迅创新自主研发和生产,创新性采用叠层设计,在极小空间内集成高性能STM32H7处理器、双冗余工业级IMU和丰富完善的扩展接口;支持以太网通信接口,可满足智能控制器与无人系统设备各组件低延时、大带宽的实时通信需求。

特征
- 双浮点运算H7处理器,最高运行频率 480MHz。
- 全新双工业级IMU冗余设计。
- 创新叠层结构,体积小巧,功能完整,接口丰富,扩展性强。
- 集成以太网接口,支持与机载计算机等通过网口通信。
- 支持3.3V/5V可配置PWM输出。
- 兼容PX4(适配中)/ArduPilot 全机型。
硬件参数
| 硬件参数 | 规格 |
|---|---|
| 主处理器 | STM32H753 Arm® Cortex®-M7 480 MHz 2MB Flash |
| 加速计 | IIM-42652/IIM-42653 |
| 陀螺仪 | IIM-42652/IIM-42653 |
| 电子罗盘 | IIS2MDCTR |
| 气压计 | ICP-20100/BMP581 |
| I2C | 3 |
| PWM输出 | 14 |
| PWM电平 | 3.3V/5V(8CH) |
| RC IN | 1路,支持PPM/SBUS/DSM等 |
| RSSI输入 | PWM或3.3V模拟电压 |
| CAN标准总线 | 2 |
| Power输入 | 1(端子型号Molex 50394-8052) |
| GPS&安全开关 | 1 |
| GPS2 | 1 |
| ADC | 1(集成ADC3.3和ADC6.6) |
| Debug | 1 |
| USB接口 | 1(TYPE-C) |
| TELEM(数传) | 2 |
| ETH以太网 | 1 |
| TF卡槽 | 1 |
| PM工作电压 | 4.5 ~ 5.5 V |
| USB电压 | 4.75 ~ 5.25 V |
| 伺服输入 | 0 ~ 10V |
| 工作温度 | -20 ~ 85℃ |
| 工作湿度 | 5%~95%(不凝结) |
| 重量 | 33g |
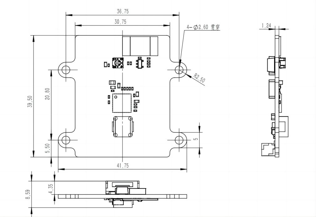
| 尺寸 | 30.5 × 25.5 × 31.8 mm |
| 7-Nano PDB电源模块 | |
| 工作电压 | 12-70V |
| 最大测量电流 | 79.2A |
| BEC | 5.3V/4A |
| 测量精度 | ±0.2V/0.5A |
| 分线器 | 一分六 |
| 接口 | XT60/GH1.25 6Pin |
| 重量 | 17g |
7-Nano尺寸

电源模块PDB尺寸

采购
接口定义
[!TIP] 7-Nano v2采用Pixhawk引脚标准。

固件
您可以选择使用ArduPilot(推荐)/PX4固件。
版本差异
